Suchergebnis
vom: 09.10.2012
Bundesministerium für Umwelt, Naturschutz und Reaktorsicherheit
BAnz AT 20.12.2012 B2
Bundesministerium
für Umwelt, Naturschutz und Reaktorsicherheit
Bekanntmachung
einer sicherheitstechnischen Regel der Kommission
für Anlagensicherheit
(TRAS 410 – Erkennen und Beherrschen
exothermer chemischer Reaktionen)
Nachstehend wird die von der Kommission für Anlagensicherheit aktualisierte Fassung der sicherheitstechnischen Regel (TRAS 410 – Erkennen und Beherrschen exothermer chemischer Reaktionen) bekannt gegeben. Diese Bekanntmachung ersetzt die Bekanntmachung vom 13. Juli 2007 (BAnz. Nr. 151a vom 15. August 2007).
Der Text der sicherheitstechnischen Regel kann ebenfalls über das Internet unter der Adresse: www.kas-bmu.de/publikationen/tras_pub.htm abgerufen werden.
Bundesministerium
für Umwelt, Naturschutz und Reaktorsicherheit
Dr. Gierke
Technische Regel für Anlagensicherheit (TRAS 410)
Neufassung (Oktober 2012)
Erkennen und Beherrschen exothermer chemischer Reaktionen
– Ermittlung der Gefahren, Bewertung und zusätzliche Maßnahmen –
Inhalt
Präambel
1 Einleitung
2 Anwendungsbereich
3 Begriffe
4 Sicherheitstechnische Bewertung der Reaktion bei Normalbetrieb
5 Sicherheitstechnische Bewertung der Reaktion bei Abweichungen vom Normalbetrieb
6 Übertragbarkeit vom Labor in den technischen Maßstab
7 Auswahl und Umfang von zusätzlichen Maßnahmen
Anhang 1 Besondere Stoffe, Verbindungs- und Reaktionstypen
Anhang 2 Ermittlung sicherheitstechnischer Kenngrößen von Stoffen und Reaktionsgemischen
Anhang 3 Gesichtspunkte bei der Bewertung
Anhang 4 Beispiele
Anhang 5 Beispiel für die Änderung der Wärmeströme bei der Maßstabsvergrößerung
Anhang 6 Literatur
Kommission für Anlagensicherheit (KAS)
Präambel
(1) Die Technischen Regeln für Anlagensicherheit (TRAS) enthalten dem Stand der Sicherheitstechnik im Sinne des § 2 Nummer 5 der Störfall-Verordnung in der Fassung der Bekanntmachung vom 8. Juni 2005 (BGBl. I S. 1598) entsprechende sicherheitstechnische Regeln und Erkenntnisse. Betriebs- und Beschaffenheitsanforderungen, die aus anderen Regelwerken zur Erfüllung anderer Schutzziele resultieren, bleiben unberührt.
(2) Diese Technische Regel wurde von der Kommission für Anlagensicherheit gemäß § 51a des Bundes-Immissionsschutzgesetzes in der Fassung der Bekanntmachung vom 26. September 2002 (BGBl. I S. 3830), zuletzt geändert durch Artikel 3 des Gesetzes vom 18. Dezember 2006 (BGBl. I S. 3180) unter Berücksichtigung der für andere Schutzziele vorhandenen Regeln erarbeitet und dem Stand der Sicherheitstechnik angepasst. Technische Regeln für Anlagensicherheit werden dem Bundesministerium für Umwelt, Naturschutz und Reaktorsicherheit vorgeschlagen und können von diesem nach Anhörung der für die Anlagensicherheit zuständigen obersten Landesbehörden im Bundesanzeiger veröffentlicht und in Rechts- oder Verwaltungsvorschriften in Bezug genommen werden.
1 Einleitung
1.1 Die in verfahrenstechnischen Anlagen durchgeführten chemischen Reaktionen können zu Gefahren für Menschen und Umwelt führen, wenn Drücke oder Temperaturen bei den Prozessen über die Auslegungsgrenzen der Anlagenteile ansteigen und unkontrolliert Energie und Stoffe freigesetzt werden. Der Zweck dieser Technischen Regel ist, Hinweise zum Erkennen und Beherrschen sowie zur Vermeidung solcher Zustände zu geben.
1.2 Diese Technische Regel enthält eine Anleitung zur systematischen Ermittlung der bei der Herstellung von Stoffen durch chemische Umwandlung möglicherweise auftretender Gefahren gemäß Abschnitt 1.1, zu deren Bewertung sowie zur Auswahl und zum Umfang der sich daraus ergebenden Maßnahmen zur Verhinderung von Störungen des bestimmungsgemäßen Betriebes. Dabei stehen vorbeugende Maßnahmen im Vordergrund. Die Anforderungen an konstruktive Maßnahmen und an die gefahrlose Ableitung von Stoffen aus Druckentlastungseinrichtungen sind nicht Gegenstand dieser Technischen Regel.
1.3 Neben dieser Technischen Regel sind insbesondere zu beachten:
- –
-
die Betriebssicherheitsverordnung einschließlich ihrer einschlägigen Technischen Regeln,
- –
-
die Gefahrstoffverordnung einschließlich ihrer einschlägigen Technischen Regeln,
- –
-
das Berufsgenossenschaftliche Vorschriften- und Regelwerk.
1.4 Diese Technische Regel ist aus dem Leitfaden des Technischen Ausschusses für Anlagensicherheit TAA-GS-05 hervorgegangen und hat dessen Ausführungen weiterentwickelt.
2 Anwendungsbereich
2.1 Diese Technische Regel ist anzuwenden auf die fabrikmäßige Herstellung von Stoffen durch chemische Umwandlung in Anlagen.
2.2 Die Ausführungen können sinngemäß auch auf andere verfahrenstechnische Operationen angewandt werden, bei denen Stoffe thermisch belastet werden.
3 Begriffe
Abstoppersystem
Als Abstoppersystem wird hier ein System bezeichnet, mit dem aus einem Vorlagebehälter eine inhibierende Substanz – unabhängig von den sonst in einem Reaktionsbehälter durchzuführenden Verfahrensschritten – schnell und wirksam in den Reaktionsbehälter eingespeist werden kann. Die Auslösung des Abstoppersystems kann von Hand oder bei Überschreiten von bestimmten Prozessparametern automatisch erfolgen.
Adiabatische Induktionszeit
Die adiabatische Induktionszeit ist hier die Zeitspanne, innerhalb der ein verfahrenstechnisches Reaktionssystem ohne Wärme- und Stoffaustausch mit der Umgebung das Maximum der Temperaturanstiegsgeschwindigkeit erreicht.
Adiabatische Temperaturerhöhung
Die adiabatische Temperaturerhöhung (ΔTadiab) ist die Temperaturerhöhung, die sich in einem Reaktionssystem rechnerisch ergibt, wenn das Verfahren ohne Wärme- (und Stoff-) Austausch mit der Umgebung abläuft.
Autokatalyse/Reaktionsbeschleunigung
Bei der Autokatalyse wirkt ein während einer Reaktion gebildetes Reaktionsprodukt als Katalysator, wodurch auch bei konstanter Temperatur der Fortlauf der Reaktion beschleunigt wird. Als Beispiel sei die säure-katalysierte Verseifung verschiedener Ester und verwandter Verbindungen genannt. Experimentell lassen sich autokatalytische Reaktionen z. B. mit Hilfe von Differenz-Thermoanalyse-Messungen nachweisen. Neben der Autokatalyse gibt es weitere Mechanismen, die zu einer solchen Reaktionsbeschleunigung führen (z. B. Abbau eines Inhibitors).
Bestimmungsgemäßer Betrieb
hier: Der bestimmungsgemäße Betrieb umfasst den Betrieb, für den eine Anlage nach ihrem technischen Zweck bestimmt, ausgelegt und geeignet ist, sowie Betriebszustände, die bei einer Fehlfunktion von Komponenten oder bei einer Fehlbedienung auftreten, ohne dass sicherheitstechnische Gründe einer Fortführung des Betriebes entgegenstehen. Der bestimmungsgemäße Betrieb umfasst
- –
-
den ⇒ Normalbetrieb,
- –
-
die In- und Außerbetriebnahme,
- –
-
den Probebetrieb,
- –
-
Wartungs-, Inspektions-, Instandsetzungs- und Reinigungsarbeiten.
Deflagration
Eine Deflagration ist eine Reaktion, die an einer vorgegebenen Stoffmenge örtlich begrenzt auslösbar ist und die sich von dort selbständig durch die gesamte Stoffmenge hindurch in Form einer Reaktionsfront fortpflanzt. Die Fortpflanzungsgeschwindigkeit der Reaktionsfront ist niedriger als die Schallgeschwindigkeit im Stoff. Bei einer Deflagration können große Mengen an heißen Gasen freigesetzt werden, die unter Umständen auch brennbar sind. Die Deflagrationsgeschwindigkeit nimmt mit der Temperatur und in der Regel auch mit dem Druck zu.
Detonation
Ein örtlich auslösbarer und einen Stoff in Form einer Reaktionsfront durchlaufender exothermer Zerfall, der nur unbedeutend über den Wärmetransport, sondern maßgeblich über eine Stoßwelle weitergeleitet wird, die von der freigesetzten Wärme unterhalten wird. Die Fortpflanzungsgeschwindigkeit der Reaktions- oder Detonationsfront ist höher als die Schallgeschwindigkeit im Stoff.
Differenz-Thermoanalyse
Die Differenz-Thermoanalyse (DTA) und die Dynamische Differenz-Kalorimetrie (DDK) (engl.: DSC – Differential Scanning Calometry) sind Messmethoden, die es gestatten, mit geringen Probenmengen (in der Regel einigen Milligramm) den Wärmeumsatz bei physikalischen und chemischen Umwandlungen zu ermitteln. Sie eignet sich insbesondere zur Untersuchung der thermischen Stabilität von Stoffen und kann in vielen Fällen zur Abschätzung des thermischen Potentials von chemischen Reaktionen herangezogen werden.
Druckentlastung
Das Schutzprinzip der Druckentlastung von Apparaten besteht darin, den Druck unter Abführung von gasförmigen oder mehrphasigen Stoffströmen im Falle einer Explosion oder einer durchgehenden Reaktion durch Freigabe von vorbestimmten Öffnungen so zu begrenzen, dass der Druck im Behälter einen zulässigen Wert nicht überschreitet.
Druckfeste Bauweise
Eine druckfeste Bauweise liegt vor, wenn auch im Falle einer Explosion oder einer durchgehenden Reaktion der maximal auftretende Systemdruck den Auslegungsdruck des Behälters oder Apparates nicht übersteigen kann. Bei der Zersetzung von kondensierten Stoffen ist wegen der zu erwartenden hohen Drücke eine druckfeste Bauweise in der Regel nur mit hohem Aufwand zu realisieren.
Einzelfehlertoleranzprinzip
hier: Ein verfahrens-/anlagentechnisches System erfüllt das Einzelfehlertoleranzprinzip, wenn es so gestaltet oder ausgerüstet ist, dass ein einzelner Fehler noch nicht zu einem (unerwünschten) Ereignis führt. Ist das Ereignis mit einer hohen Gefährdung verbunden und das System nicht bereits aus sich heraus (d. h. aus naturgesetzlichen Gründen und ohne zusätzliche Maßnahmen) einzelfehlertolerant, sind besondere Maßnahmen wie das Vorsehen von redundanten Schutzeinrichtungen erforderlich, die die Fehlerwege „sicherheitstechnisch hoch verfügbar“ unterbrechen.
Ereignis
hier: Das Überschreiten der Auslegungsgrenzen der (verfahrenstechnischen) Anlagenteile.
Explosion
hier: Explosion ist ein physikalisch-chemischer Vorgang, bei dem es durch sehr schnelle Energie- und/oder Gasfreisetzung in einem Volumen zu einer starken Druckerhöhung kommt.
Grenztemperatur
Die Grenztemperatur (Texo) bezeichnet die maximal zulässige Temperatur, bei der ein Stoff oder Reaktionsgemisch gerade noch gefahrlos gehandhabt werden kann. Sie wird unter Berücksichtigung der Verfahrensparameter und der Messverfahren, die bei der Ermittlung der Stoffkenngrößen angewendet wurden, festgelegt. So ist zum Beispiel bei einem kontinuierlichen Verfahren, bei dem die Stoffe nur verhältnismäßig kurzzeitig thermisch belastet wurden, die Grenztemperatur höher anzusetzen als bei einem Batch-Verfahren, bei dem die Stoffe über längere Zeit höheren Temperaturen ausgesetzt sein können.
Kalorimetrie
Die Kalorimetrie stellt eine Messtechnik dar, bei der u. a. aus Temperaturmessungen Rückschlüsse auf die Wärmeumsätze gezogen werden, die bei chemischen oder physikalischen Vorgängen auftreten.
Normalbetrieb
Der Normalbetrieb umfasst den Betrieb, für den eine Anlage nach ihrem technischen Zweck bestimmt und geeignet ist (Gutbereich). Der Normalbetrieb umfasst auch
- –
-
betriebsnotwendige Eingriffe, z. B. Probenahme, einschließlich der Lagerung mit Füll-, Umfüll- und Abfüllvorgängen,
- –
-
den An- und Abfahrbetrieb.
Davon zu unterscheiden ist der ⇒ bestimmungsgemäße Betrieb.
Reaktionswärme (Brutto-Reaktionswärme)
Die Brutto-Reaktionswärme (QR) beschreibt die Summe aller Wärmen, die mit dem Ablauf chemischer Reaktionen verbunden sind. Diese sind neben der Reaktionsenthalpie insbesondere Mischungs-, Lösungs- und Kristallisationswärmen sowie Phasenumwandlungswärmen. Die Brutto-Reaktionswärme wird zumeist als spezifische Brutto-Reaktionswärme in der Einheit kJ/kg angegeben. Dabei ist die Reaktionsenthalpie (ΔHR) die auf den jeweiligen Formelumsatz einer chemischen Reaktion bezogene Wärmemenge, die bei konstantem Druck vom System
- –
-
aufgenommen wird (endotherme Reaktion, ΔHR > 0) oder
- –
-
abgegeben wird (exotherme Reaktion, ΔHR < 0).
Die Reaktionsenthalpien vieler Reaktionen sind literaturbekannt und werden dort in der Regel in der Einheit kJ/mol angegeben.
Wärmeabfuhrleistung
Die Wärmeabfuhrleistung (dQK/dt) beschreibt die insgesamt pro Zeiteinheit aus einem System abführbare Wärmemenge. Sie kann sich zusammensetzen aus Kühlleistung, Verdampfungsleistung und anderen Formen.
Wärmeproduktionsgeschwindigkeit/Reaktionsleistung
Die Wärmeproduktionsgeschwindigkeit oder Reaktionsleistung (dQR/dt) beschreibt die pro Zeiteinheit freigesetzte Wärmemenge. Sie ist, solange keine Phasenübergänge oder anderen physikalischen Prozesse ablaufen, proportional zur Reaktionsgeschwindigkeit. Die Reaktionsgeschwindigkeit ist eine Funktion von Konzentrationen oder Partialdrücken und Temperaturen.
4 Sicherheitstechnische Bewertung der Reaktion bei Normalbetrieb
4.1 Grundprüfungen
Eine chemische Reaktion lässt sich in der Regel durch Reaktionsgleichungen beschreiben, aus denen die beteiligten Stoffe ersichtlich sind und aus denen auch Hinweise auf entstehende Zwischen-/Nebenprodukte und mögliche Gasfreisetzungen erhalten werden können.
Zur Identifizierung des möglichen Gefahrenpotentials aus der Exothermie von chemischen Umsetzungen dient eine Reihe von physikalisch-chemischen Kenngrößen der beteiligten Stoffe und von apparativen Kenngrößen. Ganz wesentlich hierbei sind
- a)
-
die Reaktionswärme QR sowohl der gewünschten Reaktion als auch möglicher Neben-/Folgereaktionen (z. B. Zersetzungen),
- b)
-
die mögliche Gasentwicklung M und Gasentwicklungsgeschwindigkeit (dM/dt) (oder entsprechende abgeleitete Größen) aus Reaktion oder möglicher Zersetzung,
- c)
-
die Wärmeproduktionsgeschwindigkeit (dQR/dt, Reaktionsleistung), ggf. als Funktion der Temperatur,
- d)
-
die Wärmeabfuhrleistung des Systems (dQK/dt),
- e)
-
die Grenztemperatur Texo für die thermische Stabilität der beteiligten Stoffe und der Reaktionsgemische unter Verfahrensbedingungen. Dabei ist die Temperatur Texo nicht allein stoffspezifisch, sondern wird wesentlich von dem Zusammenspiel von (dQR/dt) und (dQK/dt) bestimmt. Sie ist deshalb nicht eindeutig durch ein Messverfahren für einen Stoff definiert. Sie kann auf unterschiedliche Weise, dem Verfahren und der Anlage angepasst, gewonnen werden, wobei sich unterschiedliche Zahlenwerte für Texo ergeben können. Je nach Einzelfall kommen Messverfahren, die konkrete Anlagenbedingungen simulieren oder dahin extrapolierbar sind, oder adiabatische Messverfahren zur Bestimmung und Festlegung in Betracht.
In der Praxis haben sich beispielsweise folgende alternative Festlegungen für Texo bewährt:
- –
-
die um 100 K reduzierte Temperatur des Beginns einer exothermen Reaktion nach einer Screening-DTA (Aufheizgeschwindigkeit zwischen 1 und 10 K/min),
- –
-
die um 10 K reduzierte Temperatur für eine adiabatische Induktionszeit (bis zum maximalen Umsatz) von 24 Stunden (AZT 24),
- –
-
die um 10 K reduzierte Temperatur, bei der die (spezifische) Reaktionsleistung des Systems 0,1 W/kg erreicht.
Von den hier genannten Festlegungen für Texo kann abgewichen werden, wenn ausreichende zusätzliche Informationen über z. B. die Aktivierungsenergie oder die Nachweisempfindlichkeit der benutzten Untersuchungsgeräte vorliegen und nach sachkundiger Einschätzung berücksichtigt werden.
Dem Vorgehen liegen typische Verweilzeiten und Ansatzgrößen für Reaktionen und verfahrenstechnische Operationen zugrunde. Für davon deutlich abweichende Randbedingungen, wie sie zum Beispiel bei der Lagerung von Stoffen und Stoffgemischen über längere Zeiträume und bei extremen Ansatzgrößen vorliegen können, sind diese entsprechend bei der Festlegung von Texo zu berücksichtigen.
Die oben genannten Kenngrößen sind nicht nur zu betrachten für den normalen Ablauf der Reaktionen, sondern auch für mögliche Störungen (siehe Abschnitt 5). Messverfahren zur Bestimmung der Stoffkenngrößen, z. B. Differenz-Thermoanalyse (DTA), Kalorimetrie, adiabatische Versuche, sowie ihre Einsatzmöglichkeiten und Anwendungen sind in /1/ bis /7/ beschrieben.
Die meisten Kenngrößen können auf mehrere Weisen und mit unterschiedlichen Apparaturen bestimmt werden. Dabei erhält man unter Umständen verschiedene Messwerte. Für die Ableitung der Kenngrößen aus diesen Messwerten ist es daher von Bedeutung, dass für den betrachteten Fall die Randbedingungen zutreffend oder zumindest hinreichend vorsichtig gewählt wurden. Wichtig sind ebenso die zutreffende Auswahl und Bewertung der für die sicherheitstechnische Beurteilung zusätzlich benötigten anderen physikalischen Stoffwerte (z. B. Viskosität) und verfahrenstechnischen Parameter (insbesondere bei Vorliegen heterogener Reaktionen oder schäumender Systeme). Die Auswertung und Klärung der Übertragbarkeit bedarf deshalb einer hohen Fachkompetenz.
Eine Sonderstellung nehmen Stoffe und Stoffgemische ein, die deflagrations- oder detonationsfähig sind. Bei diesen sind die Wärme- und Gasproduktionsgeschwindigkeit nicht mehr eine Funktion z. B. der Prozesstemperatur und keine Grundlage für eine sicherheitstechnische Beurteilung, so dass auf einer solchen Abhängigkeit aufbauende Maßnahmen zur Beherrschung exothermer Prozesse wirkungslos bleiben können. Dies betrifft vornehmlich Explosivstoffe, organische Peroxide und selbstzersetzliche Stoffe. Zur Beherrschung von Reaktionen, an denen solche Stoffe einschließlich ihrer intermediären Reaktionsgemische /8/ beteiligt sind, werden in der Regel weitere Maßnahmen erforderlich, die nicht mehr Gegenstand der vorliegenden Betrachtungen sind. Kriterien und Prüfverfahren für die Beurteilung solcher Stoffe sind u. a. im UN-Prüfhandbuch und einschlägigen Vorschriften zu finden /9/. Für die Bewertung von Reaktionen mit solchen Stoffen ist diese Technische Regel jedoch sinngemäß anwendbar.
4.2 Sicherheitstechnische Bewertung unter Verfahrensbedingungen
Wesentliche Voraussetzung für die sicherheitstechnische Bewertung exothermer Reaktionen
ist außerdem die Kenntnis der Randbedingungen, unter denen die Reaktionen ablaufen
sollen. Dazu gehören im Besonderen
- –
-
kontinuierlich/diskontinuierlich mit Batch/Semi-Batch-Betrieb (dosierungskontrolliert),
- –
-
vorgelegte Komponenten/Dosiergeschwindigkeit/Mengen,
- –
-
Temperatur-/Druckbereich,
- –
-
Phasenverhältnisse bei der Reaktion,
- –
-
Dosier- und Verweilzeit
und die anlagentechnischen Gegebenheiten, z. B.
- –
-
Reaktorgröße,
- –
-
technische Ausrüstung,
- –
-
Wärmeabfuhrleistung der Apparate.
In dem Ablaufschema (Schema 1) ist das Vorgehen bei der Ermittlung und sicherheitstechnischen Bewertung des Gefahrenpotentials dargestellt.
Die Bewertung beginnt mit einer Beurteilung der Einsatzstoffe eines Verfahrens. Zu beantworten ist die Frage, ob alle beteiligten Einsatzstoffe im vorgesehenen Temperatur- und Zeitbereich einschließlich ihrer Wechselwirkungen mit den verwendeten Werkstoffen als thermisch stabil anzusehen sind. Informationen über die thermische Stabilität von Stoffen und Gemischen können bereits mit vergleichsweise geringem Aufwand gewonnen werden. Es ist bekannt, dass bei Vorhandensein bestimmter funktioneller Gruppen mit einer erhöhten Wahrscheinlichkeit exothermer Zersetzung zu rechnen ist. Eine Liste besonderer Verbindungstypen und Stoffe findet sich im Anhang 1.
Über diese rein gedankliche Analyse hinaus sind in der Regel experimentelle Screening-Methoden anzuwenden, die es erlauben, das mit der Handhabung eines Stoffes oder Gemisches verbundene Gefahrenpotential zu ermitteln. Bezüglich der Anwendungsmöglichkeiten und Grenzen dieser Screening-Methoden wird auf /10/ und /11/ verwiesen. Die Anwendung dieser Screening-Methoden erlaubt in erster Linie eine Aussage über die Stabilität im vorgesehenen Temperaturbereich. Treten gravierende thermische Effekte im vorgesehenen Temperaturbereich auf, so ist in der Regel durch weiterführende Untersuchungen, z. B. adiabatische Versuche oder vergleichbare Techniken, die Frage der zeitlichen Belastbarkeit unter Berücksichtigung der Reaktionszeit und der vorliegenden Abmischungen zu überprüfen.
Wurde aufgrund der Überprüfung eine ausreichende Stabilität aller am Verfahren beteiligten Einsatzstoffe festgestellt, so gilt es im nächsten Schritt, die gewünschte Reaktion einschließlich ihrer Neben- und Folgereaktionen im Normalbetrieb zu beurteilen. Eine wesentliche Grundlage hierfür ist die stöchiometrische Umsatzgleichung der gewünschten Reaktion. Geht aus dieser Umsatzgleichung hervor, dass mit der Bildung eines Gases oder Leichtsieders als Reaktionsprodukt zu rechnen ist, so ist anlagentechnisch sicherzustellen, dass der resultierende gasförmige Massenstrom ausreichend und adäquat abgeführt werden kann. Ebenso ist zu berücksichtigen, dass bei nicht isothermer Fahrweise verstärkt Lösungsmittel verdampfen kann.
Kernstück der Beurteilung der Reaktion ist wieder die thermische Einschätzung. Eine Vorentscheidung für die Beurteilung der Sicherheit des Normalbetriebes kann bereits aus der Kenntnis der Reaktionswärme QR abgeleitet werden. Hieraus kann die adiabatische Temperaturerhöhung ΔTadiab ermittelt werden.
Schema 1: Bewertungsstrategie des Normalbetriebes

Bei Kenntnis der adiabatischen Temperaturerhöhung gilt für die vorgesehene Reaktion folgende Abschätzung:
- –
-
Beträgt die adiabatische Temperaturerhöhung der im Normalbetrieb ablaufenden Reaktion weniger als 50 K und werden keine thermischen Instabilitäten der Ausgangsstoffe, der Reaktionsmischung oder Produkte in einem Temperaturbereich (TProzess+ΔTadiab) festgestellt, so kann der Normalbetrieb als sicher beurteilt werden. Gleiches gilt, wenn die Wärmetönung etwa beteiligter Zersetzungs- und Nebenreaktionen so gering ist, dass sie auch zusammen mit der Reaktionswärme der gewünschten Reaktion keinen adiabatischen Temperaturanstieg über 50 K verursacht. Dabei muss die technische Anlage gegen mögliche Druckerhöhungen (aus Dampfdruck oder Gasfreisetzung) infolge dieses begrenzten Temperaturanstiegs ausgelegt sein, was in der Regel bei den üblicherweise für Reaktionen eingesetzten Druckbehältern und angeschlossenen Anlagenteilen der Fall ist.
- –
-
Werden thermische Instabilitäten der Ausgangsstoffe, der Reaktionsmischung oder der Produkte in einem Bereich (TProzess+ΔTadiab) festgestellt, die zusammen mit der Reaktionswärme der gewünschten Reaktion zu einer adiabatischen Temperaturerhöhung von über 50 K führen, so ist der zeitliche Verlauf der Wärmeproduktionsgeschwindigkeit insbesondere der gewünschten Reaktion zur Beurteilung heranzuziehen.
- –
-
In bestimmten Fällen kann das System auch für ΔTadiab > 50 K bereits als ausreichend sicher angesehen werden, wenn der Siedepunkt (TS) des Systems im Intervall TProzess ≤ TS < TProzess + 50 K liegt und aufgrund der Systemeigenschaften und der Auslegung der Anlage gewährleistet ist, dass Siedetemperatur und Wärmeproduktionsgeschwindigkeit am Siedepunkt nicht in unzulässiger Weise ansteigen können.
Vorteilhaft für die Beurteilung der Reaktionsleistung einer exothermen Reaktion ist es, wenn z. B. mit Hilfe der Reaktionskalorimetrie der Zeitverlauf der Wärmefreisetzung unmittelbar experimentell ermittelt worden ist. Ersatzweise kann in erster Näherung die Reaktionsleistung aus der Reaktionswärme zusammen mit anderen Messungen oder Beobachtungen abgeschätzt werden. Voraussetzung für eine derartige Abschätzung ist jedoch die Kenntnis des ungefähren Reaktionsmechanismus. Handelt es sich um eine Reaktion, die bei einer detaillierten Auswertung mit Hilfe eines reaktionskinetischen Potenzansatzes (effektive Reaktionsordnung ≥ 1) beschrieben werden kann, so kann z. B. für dosierungskontrollierte Fahrweise die Leistung aus dem Quotienten von Reaktionswärme und Dosierzeit abgeschätzt werden. Voraussetzung hierzu ist eine hinreichend hohe Reaktionsgeschwindigkeit, die eine gefährliche Reaktandenakkumulation verhindert. Ähnliches gilt für kontinuierliche Verfahren unter Verwendung der Verweilzeit. (Diese Methode ist nicht mehr zulässig bei deutlich autokatalytischem Verhalten!) Bei heterogenen Systemen ist zusätzlich der Einfluss der Phasenverhältnisse zu berücksichtigen.
Ein kritischer Punkt eines chemischen Verfahrens liegt an der Stelle der maximalen Reaktionsleistung vor. Dieser Maximalwert ist mit der gesamten vorgegebenen maximalen Wärmeabfuhrleistung zu vergleichen. Ist diese Wärmeabfuhrleistung ausreichend, auch diese maximale Reaktionsleistung sicher abführen zu können, so kann die im Normalbetrieb ablaufende Reaktion als sicher bezeichnet werden. Für genauere Analysen wird auf /12/ bis /14/ verwiesen.
Die Bewertung beinhaltet auch eine Beurteilung der während des Verfahrens entstehenden Stoffe hinsichtlich der thermischen Stabilität im vorgesehenen Temperatur- und Zeitbereich einschließlich ihrer Wechselwirkungen mit den Werkstoffen der Anlagenteile. Die Methoden hierfür unterscheiden sich nicht von den oben zitierten für die Beurteilung der Einsatzstoffe. Betont werden muss aber, dass hier unter Umständen nicht die alleinige Untersuchung der reinen Reaktionsprodukte ausreichend ist, sondern ggf. auch repräsentative Proben der Reaktionsmischung mit unterschiedlichen Umsetzungsgraden zu bewerten sind.
Vielfach wird zunächst übersehen oder unterschätzt, dass es Reaktionen gibt, bei denen sowohl die Einsatzstoffe als auch die (bestimmungsgemäßen) Reaktionsprodukte durchaus thermisch sehr stabil sein können. Im Reaktionsverlauf vermögen jedoch unerwünschte Nebenreaktionen unter zusätzlicher Energiefreisetzung auftreten oder es kann zur Bildung von instabilen Nebenprodukten kommen. Schließlich gilt, dass Reaktionen mit thermisch stabilen Einsatzstoffen sehr wohl exotherm ablaufen können. Einige Beispiele für derartige Reaktionen sind ebenfalls in Anhang 1 enthalten.
In allen Fällen, bei denen die Fragen im Ablaufschema nicht beantwortet werden können, sind entweder weitergehende Untersuchungen erforderlich, oder es sind Modifizierungen an Verfahren oder Anlage vorzunehmen. Die Gesamtbeurteilung des Verfahrens ist im nächsten Schritt hinsichtlich der Auswirkung möglicher Abweichungen (Störungen) fortzusetzen. Resultieren aus der Störungsbeurteilung Anlagen- und Verfahrensmodifizierungen, so ist auch der Normalbetrieb iterativ neu zu überprüfen.
4.3 Besondere Betriebszustände
Für besondere Betriebszustände wie Inbetriebnahme, Probebetrieb, Reinigungs-, Wartungs- und Instandhaltungsmaßnahmen etc., die zum bestimmungsgemäßen Betrieb gehören, ist sinngemäß zu verfahren.
5 Sicherheitstechnische Bewertung der Reaktion bei Abweichungen vom Normalbetrieb
Bei der sicherheitstechnischen Bewertung chemischer Reaktionen sind – ausgehend vom Normalbetrieb eines Verfahrens/einer Anlage – denkbare Abweichungen (Störungen) und ihre möglichen Auswirkungen auf
- –
-
Reaktionswärme QR,
- –
-
entstehende Gasmenge M und Gasentwicklungsgeschwindigkeit (dM/dt),
- –
-
Wärmeleistungsbilanz (dQR/dt) – (dQK/dt) und
- –
-
Grenztemperatur Texo
zu betrachten. Die in Tabelle 1 dargestellte Liste zeigt auf, welche Abweichungen des bestimmungsgemäßen Betriebes bei einem chemischen Syntheseverfahren hinsichtlich der genannten Punkte von Bedeutung sein können. Die Liste erhebt keinen Anspruch auf Vollständigkeit (zur Erstellung von Checklisten siehe z. B. /15/).
Tabelle 1: mögliche Abweichungen des bestimmungsgemäßen Betriebes
| Abweichungen | Beispiele |
|---|---|
| Art und Spezifikation der Ausgangsstoffe |
|
| Präsenz von Hilfsstoffen |
|
| Änderung der Stoffströme |
|
| Dosierung und Befüllung |
|
| Vermischung |
|
| Reaktionsbedingungen |
|
| Verfügbarkeit von Hilfsenergien |
|
| Heiz-/Kühlmedien |
|
| PLT/MSR-Einrichtungen |
|
| Integrität von Bauteilen |
|
| Überlagerungsatmosphäre |
|
Es ist zweckmäßig, für die systematische Diskussion der möglichen Abweichungen, ihrer Ursachen und Auswirkungen eine strukturierte Sicherheitsbetrachtung durchzuführen, die beispielsweise wie in Schema 2 gezeigt ablaufen kann.
Schema 2: Ablauf der Sicherheitsbetrachtung

Das Ergebnis einer Sicherheitsbetrachtung muss mit der Bewertung des Normalbetriebes sowie der betrachteten Störungen und den festgelegten Maßnahmen (siehe Abschnitt 7) dokumentiert werden, wobei zur Identifizierung der Störungen auf die Tabelle 1 zurückgegriffen werden kann.
6 Übertragbarkeit vom Labor in den technischen Maßstab
Bei der Übertragung eines chemischen Verfahrens vom Labor in den technischen Maßstab müssen die Folgen der Maßstabsvergrößerung berücksichtigt werden. Dabei lassen sich keine allgemeingültigen Regeln in kurzer Form aufstellen. Bezogen auf jeden Einzelfall müssen daher verantwortungsvoll und fachkundig die erforderlichen Laborversuche definiert, sowie die Empfindlichkeit der Reaktion gegen die verschiedenen Einflussfaktoren und die Zulässigkeit der Übertragung der Laborergebnisse auf den technischen Maßstab geprüft werden.
So sind sowohl chemische als auch apparatetechnische Aspekte zu beachten, z. B. ein möglicher Wechsel des Reaktionsmechanismus bzw. ein verändertes Oberflächen-Volumenverhältnis. (Beispiel siehe Anhang 5)
7 Auswahl und Umfang der Maßnahmen
7.1 Kriterien
Das Gefahrenpotential chemischer Reaktionen ist anhand der Kenngrößen der gewünschten Reaktion einschließlich der Neben- und Folgereaktionen zu bewerten (im Besonderen mit QR und dM/dt). Mögliche Störungsauswirkungen, d. h. die Temperaturerhöhung ΔTStörung im System infolge der Energiefreisetzung und die erhöhte Gasfreisetzung Δ(dM/dt)Störung – die i. A. zum Druckaufbau führt – sind zu betrachten.
Gilt im Besonderen für die Temperatur und für die Gasfreisetzung (korreliert mit Druckaufbau)
| TProzess | + ΔTStörung | < Tmax. Auslegung | |
| und | |||
| (dM/dt)Prozess | + Δ(dM/dt)Störung | < (dM/dt)max. Auslegung, |
d. h. werden auch unter Störungsbedingungen die Auslegungsgrenzen – Index „max. Auslegung“ – der verfahrenstechnischen Anlage nicht überschritten und damit der bestimmungsgemäße Betrieb nicht verlassen, so wird die chemische Reaktion in dem vorliegenden Verfahren mit der bestehenden Ausrüstung auch unter den betrachteten Störungsbedingungen als ausreichend sicher beherrscht angesehen.
In anderen Fällen, d. h. wenn die Betrachtung der Störungen zeigt, dass die Ungleichungen nicht erfüllt werden, sind Maßnahmen und ihr Umfang so festzulegen, dass eine ernste Gefahr vernünftigerweise ausgeschlossen werden kann.
7.2 Auswahl von Maßnahmen
Bei den Maßnahmen kann unterschieden werden zwischen vorbeugenden Maßnahmen zur Verhinderung eines unkontrollierten Reaktionsablaufs und konstruktiven Maßnahmen zur Verhinderung unzulässiger Auswirkungen eines unkontrollierten Reaktionsablaufs. Hier kommen – je nach den Bedingungen des Einzelfalls alternativ oder in Kombination – in Frage:
- –
-
vorbeugende Maßnahmen, z. B.:
- –
-
organisatorische Maßnahmen,
- –
-
Konzepte mit Mitteln der Prozessleittechnik,
- –
-
Abstoppersysteme,
- –
-
Notkühlung.
- –
-
konstruktive Maßnahmen, z. B.:
- –
-
druckfeste Bauweise,
- –
-
Druckentlastung.
Grundsätzlich ist den vorbeugenden Maßnahmen der Vorzug zu geben; die jeweilige Reihenfolge der Beispiele stellt keine Wertung dar.
Die Begründung für die Auswahl der Maßnahmen muss nachvollziehbar sein.
7.3 Umfang der Maßnahmen
Im Fall eines erheblichen zu erwartenden Schadensausmaßes kann zur Reduzierung der Wahrscheinlichkeit des Ereigniseintritts wie folgt vorgegangen werden:
- –
-
Kann das Ergebnis nur aufgrund mehrerer voneinander unabhängiger Fehler eintreten, so ist für den Einzelfall festzustellen, ob zusätzliche ereignisverhindernde Maßnahmen erforderlich sind. Insbesondere ist zu prüfen, inwieweit die zum Ereignis führenden Fehler bzw. Störungen tatsächlich unabhängig voneinander sind und inwieweit das gleichzeitige Auftreten vernünftigerweise nicht unterstellt zu werden braucht.Beispielsweise ist bei Fehlern, die den Verfahrensablauf zunächst nicht beeinträchtigen und daher möglicherweise nicht umgehend behoben werden, nicht ohne weiteres auszuschließen, dass ein zweiter Fehler auftritt, bevor der erste Fehler abgestellt ist. Gleiches gilt für Fehler, die nicht bemerkt werden. Solche Fehler sind wie abhängige Fehler zu bewerten.Führt die Analyse der Fehler zu dem Ergebnis, dass der Ereigniseintritt aufgrund der Unwahrscheinlichkeit des gleichzeitigen Auftretens der hierzu notwendigen Fehler vernünftigerweise auszuschließen ist, so sind keine zusätzlichen sicherheitstechnischen Maßnahmen erforderlich.Falls das Ereignis trotz der zu seinem Eintritt notwendigen besonderen Fehlerkombinationen nicht mit hinreichender Wahrscheinlichkeit ausgeschlossen werden kann, reicht in der Regel jeweils eine zusätzliche ereignisverhindernde Maßnahme zur Unterbrechung der Fehlerwege zum Ereignis aus.
- –
-
Folgt jedoch bereits auf einen einzelnen Fehler der Ereigniseintritt, so muss der entsprechende Fehlerweg in jedem Fall sicherheitstechnisch hoch verfügbar unterbrochen werden. Dies gelingt z. B. durch Einsatz redundanter Maßnahmen („Einzelfehlertoleranzprinzip“ /16/) oder einzelner „fehlersicherer“ Maßnahmen. Hier sind in der Regel allein organisatorische Maßnahmen nicht mehr ausreichend.
Diese Vorgehensweise wird mit Hilfe der Beispiele im Anhang 2 erläutert.
Werden konstruktive Maßnahmen zur Verhinderung unzulässiger Auswirkungen eines unkontrollierten Reaktionsablaufs ergriffen, so gelten druckfeste Bauweise oder Druckentlastung als „sicherheitstechnisch hoch verfügbar“. Eine konstruktive Maßnahme, im Besonderen die Druckentlastung, kann dann zweckmäßig und auch erforderlich sein, wenn aufgrund der Komplexität der möglichen Kausalketten eine vollständige Betrachtung der Abweichungen, ihrer Ursachen und Auswirkungen nicht mehr hinreichend zuverlässig möglich ist. Die druckfeste Bauweise ist wegen der notwendigen Festigkeit gegen extreme Drücke in der Regel technisch nicht vertretbar. Bei einer Druckentlastung ist zu prüfen, ob die dabei abströmenden Stoffe in die Atmosphäre freigesetzt werden können und dürfen oder ob ein (aufwändiges) Rückhaltesystem erforderlich wird.
Besondere Stoffe, Verbindungs- und Reaktionstypen
Die Listen erheben keinen Anspruch auf Vollständigkeit.
1 Besondere Verbindungstypen und Stoffe
Häufig verwendete Verbindungstypen, bei denen erfahrungsgemäß eine hohe thermodynamische Instabilität verbunden mit starker Energiefreisetzung zu erwarten ist.
1.1 Typische funktionelle Gruppen thermodynamisch instabiler Verbindungen
![]() |
Nitro- und Nitrosoverbindungen |
![]() |
Ester der Salpetersäure und der salpetrigen Säure |
![]() |
Halogenstickstoffverbindungen (X=Halogen) |
![]() |
Diazoniumsalze, Triazene, Tetrazene |
![]() |
Azoverbindungen |
![]() |
Peroxide, Persäuren Hinweis: zahlreiche ungesättigte Kohlenwasserstoffe, Aldehyde, Ketone, Ether und einige cyclische Kohlenwasserstoffe (z. B. Dekalin) neigen in Gegenwart von Luft zur Bildung von Peroxiden |
![]() |
Ozonide |
![]() |
Acetylen, Acetylide |
![]() |
Stickstoffwasserstoffsäure, Azide |
![]() |
Hydrazide |
![]() |
Sauerstoffsäuren des Chlors und deren Salze |
![]() |
Fulminate, Oxime, Salze von aci-Nitroverbinungen |
1.2 Polymerisierbare Verbindungen
![]() |
Olefine (X = z. B. -F,-Cl,-CN,-COOR,-C6H5) |
![]() |
Epoxide |
![]() |
Aziridine |
![]() |
Diketen |
Katalytische Effekte durch Säuren, Basen, Radikalbildner, Metalle und Metallsalze sind zu berücksichtigen.
1.3 Oxidationsmittel
Nachstehende Stoffe können in der Mischung mit brennbaren Stoffen bzw. Reduktionsmitteln zu großer Wärmefreisetzung führen:
HClO4 (konz.)/Perchlorate
HNO3 (konz.)/Nitrate
CrO3/Chromate
KMnO4
Chlorate
Nitriersäuren
Alkylnitrite
H2O2
Peroxide
SO3/Oleum
Sauerstoff/Ozon
Chlor
1.4 Reduktionsmittel
Folgende Reduktionsmittel können im Kontakt mit Oxidationsmitteln zu großer Wärmefreisetzung führen:
Metalle (z. B. Na, Zn)
metallorg. Verbindungen
Hydride (z. B. LiAlH4, NaBH4)
Silane
Wasserstoff
2 Besondere Reaktionstypen
Hier werden Beispiele für Reaktionstypen genannt, bei denen im Gegensatz zu den genannten energiereichen Verbindungen thermisch stabile Stoffe in ebenfalls stabile Endprodukte umgewandelt werden. Solche Reaktionen können unterschätzt werden, weil die Hauptreaktion stark exotherm sein und zusätzlich unerwünschte, exotherme Nebenreaktionen anstoßen kann.
2.1 Bildung von Polymeren
Polymerisationen,
Polykondensationen,
Polyadditionen
2.2 Nukleophile Substitutionen
Nukleophile Substitutionen an aktivierten Halogenaromaten,
Nukleophile Substitutionen an Acylverbindungen
2.3 Neutralisationen im weiteren Sinne
Reaktionen von Hydriden,
Reaktionen von Carbanionen (metallorganische Verbindungen),
Reaktionen von Alkyl- und Aryloxiden (Alkoholaten) sowie Hydroxiden,
Reaktionen von Carboxylaten mit Protonenlieferanten oder elektrophilen Agenzien
Ermittlung sicherheitstechnischer Kenngrößen
von Stoffen und Reaktionsgemischen
Die zur Beurteilung chemischer Reaktionen notwendigen sicherheitstechnischen Kenngrößen werden in der Regel mit Hilfe von Laborversuchen an kleinen Probemengen, in anderen Gefäßen und unter anderen Randbedingungen als denen des technischen Prozesses ermittelt. Hier sind folgende Punkte wichtig:
1 Identität der Stoffe
1.1 Probenahme
Die Beurteilung und die Analyse eines Stoffes oder eines Reaktionsgemisches beginnen bereits mit der Probenahme.
- –
-
Es muss darauf geachtet werden, dass die zur Probenahme benutzten Werkzeuge die Probe nicht verfälschen (Sauberkeit, geeignete Werkstoffe).
- –
-
Die Probenahme sollte möglichst an einer vor fremden Einflüssen geschützten Stelle erfolgen (z. B. unter Schutz vor Regen, Staub, Fremdkörpern).
- –
-
Zur Gewährleistung der Repräsentativität sollte insbesondere bei heterogenen Gemischen
- –
-
eine ausreichende Probenmenge
- –
-
möglichst an verschiedenen Stellen
- –
-
Proben müssen unverzüglich in geeignete Behälter mit eindeutiger Beschriftung verpackt und sicher verschlossen werden.
- –
-
Details der Probenahme sollten dokumentiert werden.
- –
-
Arbeitssicherheitsaspekte müssen beachtet werden (z. B. sind im Besonderen bei Reaktionsgemischen die toxischen Eigenschaften oft nicht bekannt)!
1.2 Repräsentativität der Probensubstanzen
Es muss sichergestellt sein, dass die untersuchten Proben den Substanzen in dem zu beurteilenden technischen Reaktionsansatz entsprechen. Es sind grundsätzlich Proben der Einsatzstoffe bzw. Reaktionsgemische zu verwenden, die auch im technischen Verfahren zum Einsatz kommen oder entstehen. Fast immer werden die Substanzen bzw. Gemische unspezifizierte Nebenkomponenten oder Verunreinigungen enthalten, die oft nicht bekannt sind und je nach Ursprung der Proben variieren können.
So können z. B.
- –
-
ein Wechsel der Bezugsquelle der Einsatzstoffe,
- –
-
eine Kreislaufführung im chemischen Prozess (wegen möglicher Anreicherung von Nebenkomponenten),
- –
-
eine Änderung der Reihenfolge von Verfahrensschritten oder die Dauer der Dosierung,
- –
-
eine Änderung der Aufarbeitungsschritte,
- –
-
ein Eintrag von im technischen Maßstab notwendigen Hilfsstoffen (z. B. Schmier- oder Gleitmittel)
den Reaktionsablauf sicherheitsrelevant beeinflussen.
Darüber hinaus ist bei der Versuchsvorbereitung und der Durchführung im Untersuchungslabor darauf zu achten, dass die Probe nicht aufgrund ihrer Handhabung oder eines Zeitversatzes relevante physikalisch/chemische Veränderungen erfahren hat, wie
- –
-
Phasenumwandlung,
- –
-
Entmischung,
- –
-
Partikel-/Tröpfchengrößenänderung (z. B. bei suspendierten oder emulgierten Katalysatoren oder Inhibitoren),
- –
-
Feuchtigkeitsaufnahme,
- –
-
Passivierung,
- –
-
chemischen Abbau.
2 Übersicht gängiger Messverfahren
Tabelle 2 gibt eine Übersicht über derzeit gebräuchliche Untersuchungsmethoden zur Ermittlung sicherheitstechnischer Kenngrößen im Labor. Eine zuverlässige Auswertung der Messergebnisse, insbesondere im Hinblick auf deren Übertragbarkeit auf den technischen Maßstab, kann in der Regel nur durch Personen oder Stellen mit umfangreichen technischen/physikalischen/chemischen Kenntnissen und Erfahrungen erfolgen. Einige der maßgeblichen Gesichtspunkte sind in Anhang 3 dargestellt.
Tabelle 2: Übersicht über derzeit gebräuchliche Untersuchungsmethoden zur Ermittlung sicherheitstechnischer Kenngrößen im Labor
| Kenngröße | Reaktions- kalorimeter: Isotherm/ isoperibol Wärmefluss- oder Wärme- bilanzkalorimeter |
Grundversuche zur thermischen Stabilität: DifferenzThermoAnalyse (DTA): Messung der Temperaturdifferenz zwischen Probe und einem inerten Referenzsystem bei Anwendung eines definierten Temperatur- programms z. B. mit linearer Heizgeschwindigkeit DifferentialScanningCalorimetry (DSC): Messung der Differenz des Wärmestroms zwischen Probe und Umgebung und des Wärmestroms zwischen einem inerten Referenzsystem und Umgebung bei Anwendung eines definierten Temperaturprogramms z. B. mit linearer Heizgeschwindigkeit |
adiabatische Methoden mit geschlossenem Prüfgefäß: thermisch isoliertes Messgefäß (passiv, Korrektur für Gefäßmasse erforderlich) Kompensations- regelung für Wärmeverluste (aktiv) |
Miniautoklav: Isotherm/ dynamisch |
|---|---|---|---|---|
| Reaktionswärme QR | anwendbar | anwendbar | anwendbar | nicht anwendbar |
| Gasentwicklung M | anwendbar1 | nicht anwendbar | anwendbar | anwendbar |
| Gasentwicklungsgeschwindigkeit dM/dt | anwendbar1 | nicht anwendbar | anwendbar | anwendbar |
| Wärmeproduktionsgeschwindigkeit dQR/dt | anwendbar | anwendbar | anwendbar | nicht anwendbar |
| adiabatischer Temperaturanstieg ΔTadiab | anwendbar | anwendbar | anwendbar | nicht anwendbar |
| adiabatische Druckanstiegsgeschwindigkeit dpadiab/dt | nicht anwendbar | nicht anwendbar | anwendbar | nicht anwendbar |
| Adiabatische Induktionszeit zur Ableitung von Texo | nicht anwendbar | anwendbar | anwendbar | nicht anwendbar |
- 1
- mit zusätzlicher Messtechnik
Nähere Hinweise und Beschreibungen zu den einzelnen Messmethoden finden sich u. a. in /17/ und in den Unterlagen der Hersteller einschlägiger Apparaturen (spezifische Produktbeschreibungen und Betriebsanleitungen).
Gesichtspunkte der Bewertung
1 Genauigkeit von Laborergebnissen
Im Laborversuch ist die Messgenauigkeit („Präzision“) der jeweils gewählten Untersuchungsmethode zu berücksichtigen. Dabei sind die Genauigkeitsanforderungen der sicherheitstechnischen Fragestellung anzupassen. Die allgemein anerkannten Regeln wissenschaftlichen Arbeitens sind zu beachten.
Die erforderliche Genauigkeit der Aussagen hängt vom Schutzkonzept ab, mit dem die Sicherheit der betreffenden Anlage gewährleistet werden soll (mögliche Schutzkonzepte: Schwerpunkt entweder auf vorbeugenden oder auf konstruktiven Maßnahmen, siehe Kapitel 7.2). Daraus, wie auch aus der Fehlerbreite bei der Messung sicherheitstechnischer Kenngrößen, ergeben sich der erforderliche Umfang und die Tiefe des Untersuchungsprogramms mit Zahl und Art der eingesetzten Messprinzipien. Grundsätzlich sind auch Plausibilitätsbetrachtungen anzustellen.
Dabei ist zu beachten, dass sich Schutzkonzepte nicht a priori festlegen lassen. Daher muss zunächst durch orientierende Übersichtsmessungen eine ungefähre Kenntnis des exothermen Potentials des chemischen Systems und der kritischen Temperaturbereiche vorhanden sein. In der Regel ist erst dann die Festlegung eines bestimmten Schutzkonzeptes möglich. Die Wahl des Schutzkonzeptes bestimmt dann Umfang und Tiefe des weiteren Untersuchungsprogramms. Im weiteren Verlauf der Untersuchungen kann sich dann durchaus eine Änderung eines zunächst vorgesehenen Schutzkonzeptes ergeben.
Die Genauigkeitsanforderungen sollen an den folgenden Beispielen für eine Reaktion erläutert werden, bei der eine Reaktionskomponente vorgelegt und die zweite im Zulaufverfahren hinzugefügt wird.
1. Fall – vorbeugendes Konzept „Vermeidung der gefährlichen exothermen Zersetzung durch Temperaturbegrenzung“
Aus Übersichtsmessungen (z. B. „Screening“-DTA) sei bekannt, dass das Reaktionsgemisch sich oberhalb von etwa 300 °C (T1) mit > 500 kJ/kg stark exotherm zersetzt. Die gewünschte Reaktion werde mit Heißwasser temperiert bei 80 °C durchgeführt und zeigt eine nur so schwache Exothermie, dass sich selbst im ungünstigsten Fall das Reaktionsgemisch durch die freiwerdende Reaktionswärme (QR) nicht über ca. 150 °C (T2) erwärmen kann. Daraus folgt für die Umsetzung des vorbeugenden Konzepts „Vermeidung der gefährlichen exothermen Zersetzung durch Temperaturbegrenzung“, z. B. durch Verwendung eines offenen Heizwasserkreislaufs. Damit kann eine maximale Heizmitteltemperatur von 100 °C nicht überschritten werden und eine mögliche adiabatische Temperaturerhöhung führt nicht über ca. 170 °C hinaus. Dieser Wert liegt ausreichend weit unter der mit geringer Genauigkeit bestimmten Temperatur T1.
- –
-
Die erforderliche Messgenauigkeit ist gering.
- –
-
Weiterführende thermische Untersuchungen sind nicht erforderlich. Zu berücksichtigen bleibt jedoch der sich im Fehlerfall einstellende erhöhte Dampfdruck im System.
2. Fall – vorbeugendes Konzept „Vermeidung der gefährlichen exothermen Zersetzung durch Temperaturbegrenzung“
Aus Übersichtsmessungen (z. B. „Screening“-DTA) sei bekannt, dass das Reaktionsgemisch sich oberhalb von etwa 200 °C (T1) mit > 500 kJ/kg stark exotherm zersetzt. Die gewünschte Reaktion werde mit Heißwasser temperiert bei 80 °C durchgeführt und zeigt eine schwache Exothermie, so dass sich im ungünstigsten Fall das Reaktionsgemisch durch die freiwerdende Reaktionswärme (QR) auf ca. 150 °C (T2) erwärmen könnte. Da nun der Abstand zwischen der maximalen Reaktionstemperatur im Störungsfall und dem in der „Screening“- DTA gemessenen Zersetzungsbeginn nur noch ca. 50 K beträgt, folgt für die Umsetzung des vorbeugenden Konzeptes „Vermeidung der gefährlichen exothermen Zersetzung durch Temperaturbegrenzung“:
- –
-
Die erforderliche Messgenauigkeit zur Bestimmung der Temperatur des Beginns der exothermen Zersetzung (T1) und der maximal erreichbaren Temperatur des Reaktionsgemischs bei Störungen (T2) muss so hoch sein, dass eine gesicherte Aussage über den Abstand (T1 – T2) dieser beiden Temperaturen möglich ist.
- –
-
Weiterführende Untersuchungen mit höherer Genauigkeit sind erforderlich,
- –
-
zur Bestimmung von T1 z. B. Untersuchungsreihen mit Langzeit-DTA, Mikro-Kalorimetrie, Druckwärmestaumethoden unter Berücksichtigung anlagen- und verfahrenstechnischer Parameter (siehe auch Anhang 2 Kapitel 2 und Anhang 5),
- –
-
zur Bestimmung von T2 Untersuchungen mittels z. B. Reaktionskalorimetrie mit Kenntnis der Wärmekapazitäten/-übergänge im chemisch-apparatechnischen System (siehe auch Anhang 2 Kapitel 2 und Anhang 5).
- –
-
Zu berücksichtigen ist außerdem der sich im Fehlerfall einstellende erhöhte Dampfdruck im System.
- –
-
Weiterführende Untersuchungen bezüglich der Zersetzungswärme sind nicht erforderlich.
3. Fall – konstruktive Maßnahmen „Vermeidung von unzulässigem Druckaufbau durch Druckentlastung“
Aus Übersichtsmessungen (z. B. „Screening“-DTA) sei bekannt, dass das Reaktionsgemisch sich oberhalb von etwa 200 °C (T1) mit > 500 kJ/kg stark exotherm zersetzt. Die gewünschte Reaktion werde mit Heißwasser temperiert bei 80 °C durchgeführt und zeigt eine schwache Exothermie, so dass sich im ungünstigsten Fall das Reaktionsgemisch durch die freiwerdende Reaktionswärme (Q
2) erwärmen könnte. Daraus folgt für die Umsetzung des konstruktiven Konzepts „Vermeidung von unzulässigem Druckaufbau durch Druckentlastung“:
- –
-
Die erforderliche Messgenauigkeit zur Bestimmung der Temperatur des Beginns der exothermen Zersetzung (T1), der Zersetzungswärme ist hoch.
- –
-
Weiterführende Untersuchungen mit höherer Genauigkeit sind erforderlich,
- –
-
zur Bestimmung von T1 z. B. Untersuchungsreihen mit Langzeit-DTA, Mikro-Kalorimetrie, Druckwärmestaumethoden unter Berücksichtigung anlagen- und verfahrenstechnischer Parameter (siehe auch Anhang 2 Kapitel 2 und Anhang 5),
- –
-
zur Bestimmung der Zersetzungswärme z. B. mit adiabatischen Messverfahren unter besonders festgelegten Startbedingungen zur Berücksichtigung der verfahrens- und anlagentechnischen Parameter,
- –
-
zur Bestimmung der Wärmeproduktionsgeschwindigkeit bei der Zersetzung und des abzuführenden Massenstroms (als Grundlage für die Dimensionierung des Druckentlastungssystems), z. B. mit adiabatischen Messverfahren unter besonders festgelegten Startbedingungen zur Berücksichtigung der verfahrens- und anlagentechnischen Parameter (siehe auch Anhang 2 Kapitel 2 und Anhang 5).
- –
-
Weiterführende Untersuchungen bezüglich QR sind in der Regel nicht zwingend erforderlich, jedoch zweckmäßig.
Eine Bewertung, welches Schutzkonzept bei gleichen Ausgangsbedingungen der Reaktion zur Anwendung kommen soll, kann nicht gegeben werden. Die endgültige Festlegung bleibt stets einer Einzelfallbetrachtung überlassen, da auch andere Einflussgrößen, z. B. Gefahrstoffeigenschaften, technische Machbarkeit und Wirtschaftlichkeit, berücksichtigt werden müssen.
2 Abbildung des großtechnischen Reaktionsablaufs im Laborversuch
Apparatekonfiguration und Maßstab haben wesentlichen Einfluss auf die Aussagefähigkeit der Laborergebnisse für die Bewertung des technischen Prozesses. Da es nicht möglich ist, einen chemischen Prozess mit der verfahrenstechnischen Anlage so im Labor „nachzustellen“, dass das Laborversuchsergebnis unmittelbar auf die technische Anlage angewendet werden kann, müssen die Einflussfaktoren ermittelt und bewertet werden. Zu diesen Einflussfaktoren gehören unmittelbare Apparate- und Ausrüstungseinflüsse sowie verfahrenstechnische Einflüsse.
2.1 Unmittelbare Apparate-/Ausrüstungseinflüsse
Dies betrifft im Wesentlichen den Einfluss
- –
-
aus den verwendeten Werkstoffen der Behälter/Rohrleitungen/Einbauten/Gebinde,
- –
-
über die Oberflächenbeschaffenheit (Passivierung/Aktivierung).
2.2 Verfahrenstechnische Einflüsse
Gegenüber dem Laborversuch betrifft dies im Wesentlichen den Einfluss durch
- –
-
abweichende Zusammensetzung der „Atmosphäre“ (Inertgas/Sauerstoff/Reaktionsgase/Wasserdampfgehalt),
- –
-
abweichende Betriebsweise des Reaktionsbehälters mit z. B.:
- –
-
anderer Verweilzeit,
- –
-
abweichendem Füllgrad (über Dampfdruck-Gleichgewichtseinstellung/hydrostatischen Druck/Gasdruck),
- –
-
anderem Volumen/Oberflächen-Verhältnis,
- –
-
geänderten Druckverhältnissen (offenes/geschlossenes System),
- –
-
geänderter Reaktionsführung (Chargenbetrieb/kontinuierlicher Betrieb) mit anderer Nebenproduktverteilung, anderen Startbedingungen für die Reaktion, anderen Temperaturniveaus für Neben- oder Parallelreaktionen, Viskositätsänderungen, anderer Durchmischung der Reaktionskomponenten, Schaumbildung etc.,
- –
-
anderem Vermischungsablauf,
- –
-
vermehrter Bildung von Ablagerungen und Anbackungen/Belägen.
Beispiele
Die in der vorliegenden Regel vorgeschlagene Vorgehensweise soll im Folgenden an einigen Beispielen von „Semi-Batch“-Reaktionen erläutert werden.
Zur Vereinfachung der Darstellung und zur Verdeutlichung der wesentlichen Schritte bei der Beurteilung und Bewertung einer Reaktion und der Entscheidungsfindung über Art und Umfang der erforderlichen Maßnahmen wurden drei „didaktische“ Beispiele (Fälle 1 bis 3) gewählt, die gekennzeichnet sind durch folgende Eingrenzungen:
- a)
-
Es wird eine nur einstufige homogene Reaktion durchgeführt. Nebenreaktionen sollen nicht ablaufen. Die Reaktionsmechanismen bleiben für die betrachteten Vorgänge unverändert. Wechselwirkungen der chemischen Stoffe und Reaktionsgemische mit den Apparatewerkstoffen werden ausgeschlossen.
- b)
-
Relevante Stoffeigenschaften sowie verfahrens- und anlagentechnische Parameter sind für die Beispiele und die angegebenen Lösungen vollständig bekannt, jedoch stark abstrahiert und nur so weit nötig angeführt. Erforderliche Berechnungen erfolgten auf der Grundlage der in der vorliegenden Regel angegebenen Literatur.
- c)
-
Es wird nur ein bestimmter (immer gleicher) Ausschnitt aus der Vielfalt möglicher Störungen betrachtet.
- d)
-
Die betrachteten Störungen sollen als voneinander unabhängig angesehen werden und beruhen auch nicht auf einer gemeinsamen vorgelagerten Ursache. Ebenso sollen die getroffenen Maßnahmen unabhängig voneinander wirken können.
- e)
-
Die vorgeschlagenen technischen und organisatorischen Maßnahmen sind ausschließlich „vorbeugender“ Art und stellen jeweils nur eine Alternative aus verschiedenen möglichen und gleichwertigen Problemlösungen dar. Es wird mit den Beispiellösungen also nicht ausgeschlossen, dass hier auch die „konstruktiven“ Maßnahmen druckfeste Bauweise oder Druckentlastung (erforderlichenfalls mit Rückhalte-System) zum Ziel führen können, wobei in der Regel weitergehende Untersuchungen und Erkenntnisse als hier benutzt nötig werden.
- f)
-
Es wird vorausgesetzt, dass die Maßnahmen für die jeweiligen Beispiele realisierbar und auch umgesetzt sind.
Daraus folgt, dass die Beispiele und Lösungen nicht auf jeden Einzelfall der Praxis, bei dem weitaus komplexere Gegebenheiten vorliegen können, unmittelbar und ohne Ergänzung oder Modifikation übertragen werden dürfen. Im Besonderen darf die Störungsbetrachtung nicht auf die für die Beispiele ausgewählten Störungen beschränkt bleiben, und mögliche Abhängigkeiten der Störungen voneinander sind zu ermitteln und angemessen zu berücksichtigen.
1 Verfahren und Apparate
In einem gegen sein Beatmungssystem nicht absperrbaren Reaktionskessel, der über seinen Mantel mit einem offenen Wasserkreislauf beheizt und gekühlt werden kann, sollen unter Rührung exotherme Reaktionen vom Typ


durchgeführt werden. Hierzu soll in den Fällen 1 und 3 die Komponente B bei Raumtemperatur im Reaktor vorgelegt werden. Im Fall 2 wird B gelöst in einem inerten Lösungsmittel D im Reaktor vorgelegt. Anschließend wird auf annähernd Solltemperatur geheizt (Tsoll = 80 °C). Die Komponente A, die kalt (Raumtemperatur) in einer Dosiervorlage bereitgestellt wird, soll dann über einen bestimmten Zeitraum mit konstanter Geschwindigkeit zudosiert werden. Die bei der Reaktion freiwerdende Wärme wird über das Heiz-/Kühlwasser abgeführt (siehe Bild 1).
Bild 1: Reaktionskessel (schematisch)
2 Gefahrenpotential
Die Reaktion ist in allen Fällen exotherm, die jeweilige Reaktionswärme QR ist bekannt, so dass der adiabatische Temperaturanstieg mit jeweils ΔTadiab > 50 K festliegt.
Unterhalb von 60 °C beginnt die Reaktion „einzuschlafen“, so dass dann mit unerwünschter Akkumulation der Reaktanden zu rechnen ist. Bei erneutem Anspringen der Reaktion wären hohe Reaktionsleistungen zu erwarten. Aufgrund von DTA- und kalorischen Messungen wurde ermittelt, dass sich das Endprodukt oberhalb der Grenztemperatur Texo stark exotherm in einem unkontrollierten Reaktionsablauf

zersetzt. Dabei findet eine starke Gasentwicklung statt, die die Auslegungsgrenzen des Behälters überschreiten würde:
(dM/dt)Zersetzung > (dM/dt)max. Auslegung
Die jeweiligen Temperaturen Texo für die Fälle 1 bis 3 konnten entsprechend den Messergebnissen festgelegt werden. Sie liegen deutlich oberhalb 100 °C. Wegen der Verknüpfung von Texo mit der Gasentwicklung muss hier die Auslegungsgrenze hinsichtlich der Temperatur (Tmax. Auslegung) gleich Texo gesetzt werden (sofern nicht z. B. werkstofftechnische Bedingungen eine niedrigere Maximaltemperatur vorgeben, hier nicht zu betrachten).
3 Normalbetrieb
Die Untersuchungen der Ausgangskomponenten A und B zeigen Exothermien und Gasentwicklung erst oberhalb von 300 °C. Diese liegen energetisch bei 300 J/g, so dass explosive Eigenschaften oder Deflagrationsfähigkeit nicht zu erwarten sind. Untersuchungen von Proben der Reaktionsmischungen zu unterschiedlichen zeitlichen Phasen der Reaktion zeigen keine Notwendigkeit, Texo herabzusetzen, und bestätigen die Reaktionswärme des gewünschten Prozesses.
Die Stoffe A und B sowie die Reaktionsgemische haben unterhalb von Texo nur einen vernachlässigbaren Dampfdruck. Das in Fall 2 verwendete Lösungsmittel D ist in einem weiten Temperaturbereich für die betrachtete Reaktion chemisch inert, es hat einen hohen Siedepunkt Ts (> 180 °C) und ist thermisch stabil bis über 200 °C.
Eine signifikante Gasentwicklung ist somit nur in Verbindung mit der Zersetzungsreaktion des Stoffes C zu erwarten; für den Normalbetrieb sind alle möglicherweise entstehenden Dampf-/Gasmengen mit der vorhandenen Ausrüstung beherrschbar. Aus verfahrenstechnischen Gründen und hier insbesondere wegen der relativ hohen adiabatischen Temperaturanstiege ΔTadiab (> 50 K) müssen Wärmeabfuhrleistung und Reaktionsleistung aufeinander abgestimmt sein. Die Kühlleistung ist daher hier so gewählt, dass die bei der vorgesehenen Dosiergeschwindigkeit freiwerdende Reaktionswärme bei der Solltemperatur abgeführt wird.
Der Normalbetrieb kann somit als sicher betrachtet werden.
4 Abweichungen (Störungen)
An den drei Beispielen, für die die oben genannten Bedingungen gleichermaßen gelten, die sich aber hinsichtlich einiger Reaktions- und Verfahrensdaten unterscheiden, werden jeweils folgende Störungen betrachtet, die das Temperaturniveau in Richtung Texo verschieben können:
4.1 Abweichungen in den Reaktionsbedingungen:
- a)
-
zu hohe Reaktionstemperatur,
- b)
-
verzögerter Reaktionsstart (infolge zu niedriger Temperatur, führt zu Akkumulation mit nachfolgender erhöhter Reaktionsleistung),
- c)
-
nur halbe Einsatzmenge der Komponente D.
4.2 Abweichungen im anlagentechnischen Betrieb:
- a)
-
Rührerausfall (führt zu Akkumulation mit nachfolgender erhöhter Reaktionsleistung),
- b)
-
Kühlungsausfall zu Beginn der Reaktion (z. B. Versagen der Kühlwasserpumpe).
5 Verschiedene Fälle mit Maßnahmenvorschlägen
5.1 Fall 1
Reaktion

Wichtige Daten und Informationen zur Beurteilung:
| Stoff/Reaktion | Daten und Informationen |
|---|---|
| A1 | Reinstoff; thermisch stabil bis oberhalb Texo |
| B1 | Reinstoff; thermisch stabil bis oberhalb Texo |
| C1 | Texo = 180 °C; (dM/dt)Zersetzung > (dM/dt)max. Auslegung |
![]() |
spontane Reaktion bei 80 °C; Texo =180 °C; ΔTadiab. = 75 K |
5.2 Fall 2
Die Reaktion

soll in einem Lösungsmittel D durchgeführt werden. Die Komponente B2 soll in vorgegebener Menge von Lösungsmittel D gelöst sein.
Wichtige Daten und Informationen zur Beurteilung:
| Stoff/Reaktion | Daten und Informationen |
|---|---|
| A2 | Reinstoff; thermisch stabil bis oberhalb Texo |
| B2 | Lösung in D; thermisch stabil bis oberhalb Texo |
| C2 | Texo = 180 °C; (dM/dt)Zersetzung > (dM/dt)max. Auslegung |
| D | chemisch inert; Ts > 180 °C; thermisch stabil bis über 200 °C |
![]() |
spontane Reaktion bei 80 °C; Texo = 180 °C; ΔTadiab. = 75 K; (dQR/dt) Normalbetrieb = 95 kW; Produkt aus Wärmedurchgangskoeffizient und Wärmeaustauschfläche k x F = 4,5 kW/K |
5.3. Fall 3
Reaktion

Wichtige Daten und Informationen zur Beurteilung:
| Stoff/Reaktion | Daten und Informationen |
|---|---|
| A3 | Reinstoff; thermisch stabil bis oberhalb Texo |
| B3 | Reinstoff; thermisch stabil bis oberhalb Texo |
| C3 | Texo = 120 °C; (dM/dt)Zersetzung > (dM/dt)max. Auslegung |
![]() |
Spontane Reaktion bei 80 °C; Texo = 120 °C; ΔTadiab. = 225 K |
5.4 Beurteilung der Störungen und mögliche Maßnahmen
Die Auswirkungen der betrachteten Störungen und ihre daraus resultierende Bewertung sind im Folgenden tabellarisch beschrieben. Den Ausführungen ist zu entnehmen, dass in Fall 1 keine zusätzlichen Maßnahmen, in Fall 2 einfache zusätzliche Maßnahmen und in Fall 3 hoch verfügbare (hier als Beispiel redundante) zusätzliche Maßnahmen erforderlich sind.
Hinweis:
Die Besonderheit im Fall 3 besteht in einer relativ hohen Reaktionswärme mit gleichzeitig niedriger Grenztemperatur Texo. Eine alternative sicherheitstechnische Lösung könnte hier in der gezielten Einflussnahme auf diese beiden Größen bestehen, was z. B. durch eine verfahrens- und anlagentechnische Umstellung auf eine vollkontinuierliche Betriebsweise (Strömungsreaktor mit Umpumpung unter Zuhilfenahme von Lösungsmittel) erreicht werden kann. Damit lassen sich sowohl (u. a. wegen der kurzen Verweilzeiten und des Verdünnungseffektes) die Grenztemperatur Texo zu höheren Werten verschieben als auch (wegen des Verdünnungseffektes) die adiabatische Temperaturerhöhung ΔTadiab. verringern. Eine solche Verfahrens- und Anlagenänderung macht in jedem Falle die iterative sicherheitstechnische Bewertung der Reaktion erforderlich; andere Maßnahmen können notwendig werden.
Fall 1
| Abweichung | Auswirkung | Bewertung | mögliche Maßnahmen |
|---|---|---|---|
| Temperatur zu hoch | Die maximal mögliche Heiztemperatur beträgt wegen des offenen Wasserkreislaufs 95 °C. Durch die äußere Beheizung kann Texo somit nicht erreicht werden. | Auslegungsgrenzen Tmax und (dM/dt)max werden nicht überschritten. Sicherheitstechnisch unkritisch. |
Keine zusätzlichen Maßnahmen erforderlich. |
| Temperatur zu niedrig | Verzögerter Reaktionsstart, Akkumulation der Reaktanden mit nachfolgender erhöhter
Reaktionsleistung. Die Reaktionsleistung kann nicht mehr vollständig durch die Kühlung abgeführt werden, so dass die Temperatur über Solltemperatur steigt. Die maximal erreichbare Temperatur ist |
Auslegungsgrenzen Tmax und (dM/dt)max werden nicht überschritten. Sicherheitstechnisch unkritisch. |
Keine zusätzlichen Maßnahmen erforderlich. |
| TProzess + ΔTadiab. | |||
| Mit TProzess < 80 °C und ΔTStörung ≤ ΔTadiab bleibt das System jedoch unterhalb Texo. | |||
| Zu wenig Lö- sungsmittel | Die Störung ist nicht möglich, da kein Lösungsmittel benötigt wird. | ||
| Ausfall des Rührers | Akkumulation der Reaktanden mit nachfolgender erhöhter Reaktionsleistung. Die Reaktionsleistung kann nicht mehr vollständig durch die Kühlung abgeführt werden, so dass die Temperatur über Solltemperatur steigt. Die maximal erreichbare Temperatur ist |
Auslegungsgrenzen Tmax und (dM/dt)max werden nicht überschritten. Sicherheitstechnisch unkritisch. |
Keine zusätzlichen Maßnahmen erforderlich. |
| TProzess + ΔTadiab. | |||
| Mit TProzess = 80 °C und ΔTStörung ≤ ΔTadiab bleibt das System unterhalb Texo. | |||
| Ausfall der Kühlung (zu Beginn der Reaktion) | Die Reaktionsleistung kann nicht mehr vollständig durch die Kühlung abgeführt werden, so dass die Temperatur über Solltemperatur steigt. Die maximal erreichbare Temperatur ist | Auslegungsgrenzen Tmax und (dM/dt)max werden nicht überschritten. Sicherheitstechnisch unkritisch. |
Keine zusätzlichen Maßnahmen erforderlich. |
| TProzess + ΔTadiab. | |||
| Mit TProzess < 80 °C und ΔTStörung ≤ ΔTadiab bleibt das System jedoch unterhalb Texo. |
Damit ist die in Bild 1 dargestellte Ausrüstung des Reaktionskessels sicherheitstechnisch ausreichend.
Fall 2
| Abweichung | Auswirkung | Bewertung | mögliche Maßnahmen |
|---|---|---|---|
| Temperatur zu hoch | Die maximal mögliche Heiztemperatur beträgt wegen des offenen Wasserkreislaufs 95 °C. Durch die äußere Beheizung kann Texo somit nicht erreicht werden. | Auslegungsgrenzen werden nicht überschritten. Sicherheitstechnisch unkritisch. | Keine zusätzlichen Maßnahmen erforderlich. |
| Temperatur zu niedrig | Verzögerter Reaktionsstart, Akkumulation der Reaktanden mit nachfolgender erhöhter
Reaktionsleistung. Die Reaktionsleistung kann nicht mehr vollständig durch die Kühlung abgeführt werden, so dass die Temperatur über Solltemperatur steigt. Die maximal erreichbare Temperatur ist |
Auslegungsgrenzen werden nicht überschritten. Sicherheitstechnisch unkritisch. | Keine zusätzlichen Maßnahmen erforderlich. |
| TProzess + ΔTadiab. | |||
| Mit TProzess < 80 °C und ΔTStörung ≤ ΔTadiab bleibt das System jedoch unterhalb Texo. | |||
| Zu wenig Lösungsmittel |
Im Falle der nur halben Lösungsmittelmenge D bleibt Texo unverändert 180 °C, die adiabatische Temperaturerhöhung steigt jedoch unter Berücksichtigung der verminderten Menge von D und damit der geänderten Gesamtwärmekapazität der Reaktionsmischung auf ΔTadiab = 112 K an. Ebenso erhöht sich die Reaktionsleistung, sie kann jedoch immer noch durch die Reaktorkühlung sicher abgeführt werden (ΔTStörung = ca. 17 K). Somit bleibt das System auch im Falle dieser Störung unterhalb Texo. | Sicherheitstechnisch nur kritisch bei gleichzeitigem Auftreten eines zweiten unabhängigen Fehlers (z. B. „Ausfall des Rührers“ oder „Ausfall der Kühlung zu Beginn der Reaktion“). | Aus Betrachtung der Fehlerkombinationen: Sicherstellung der korrekten Menge D durch eine entsprechende organisatorische Maßnahme (Sicherheitstechnische Betriebsanweisung). |
| Ausfall des Rührers | Akkumulation der Reaktanden mit nachfolgender erhöhter Reaktionsleistung. Die Reaktionsleistung kann nicht mehr vollständig durch die Kühlung abgeführt werden, so dass die Temperatur über Solltemperatur steigt. Die maximal erreichbare Temperatur ist |
Sicherheitstechnisch nur kritisch bei gleichzeitigem Auftreten eines zweiten unabhängigen Fehlers (z. B. „zu wenig Lösungsmittel“). | Aus Betrachtung der Fehlerkombinationen: Einfache Verriegelung des Einlaufventils der Komponente A2 mit der Rührerfunktion (Ventil schließt bei stehendem Rührer), SIS_ |
| TProzess + ΔTadiab. | |||
| Mit TProzess = 80 °C und ΔTStörung ≤ ΔTadiab bleibt das System unterhalb Texo. | |||
| Ausfall der Kühlung (zu Beginn der Reaktion) | Die Reaktionsleistung kann nicht mehr vollständig durch die Kühlung abgeführt werden, so dass die Temperatur über Solltemperatur steigt. Die maximal erreichbare Temperatur ist | Sicherheitstechnisch nur kritisch bei gleichzeitigem Auftreten eines zweiten unabhängigen Fehlers (z. B. „zu wenig Lösungsmittel“). | Aus Betrachtung der Fehlerkombinationen: Einfache Verriegelung des Einlaufventils der Komponente A2 mit der Temperaturüberwachung im Reaktor (Ventil schließt bei Erreichen einer Maximaltemperatur von z. B. 100 °C), TIS+ |
| TProzess + ΔTadiab. | |||
| Mit TProzess = 80 °C und ΔTStörung ≤ ΔTadiab bleibt das System unterhalb Texo. |
Die sich aus dieser Gefahrendiskussion ergebende zusätzliche Ausrüstung des Reaktionskessels ist in Bild 2 dargestellt.
Bild 2: Ausrüstung des Reaktionskessels (schematisch), Fall 2

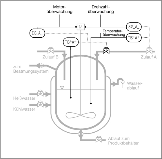
Fall 3
| Abweichung | Auswirkung | Bewertung | mögliche Maßnahmen |
|---|---|---|---|
| Temperatur zu hoch | Die maximal mögliche Heiztemperatur beträgt wegen des offenen Wasserkreislaufs 95 °C. Durch die äußere Beheizung kann Texo somit nicht erreicht werden. | Auslegungsgrenzen werden nicht überschritten. Sicherheitstechnisch unkritisch. | Keine zusätzlichen Maßnahmen erforderlich. |
| Temperatur zu niedrig | Verzögerter Reaktionsstart, Akkumulation der Reaktanden mit nachfolgender erhöhter
Reaktionsleistung. Die Reaktionsleistung kann nicht mehr vollständig durch die Kühlung abgeführt werden, so dass die Temperatur über Solltemperatur steigt. Die maximal erreichbare Temperatur kann nun mit TProzess + ΔTadiab (auch für TProzess < 80 °C) Texo überschreiten. Bei vorhandener Kühlung würden 160 °C erreicht. |
Auslegungsgrenzen werden überschritten. Behälterversagen mit Stofffreisetzung möglich. | Temperaturmessung mit Zulaufsperre (Dosierung der Komponente A3) bei Unterschreiten einer Mindesttemperatur im Kessel, TIS_, in redundanter Ausführung. |
| Zu wenig Lösungsmittel | Die Störung ist nicht möglich, da kein Lösungsmittel benötigt wird. | ||
| Ausfall des Rührers | Akkumulation der Reaktanden mit nachfolgender erhöhter Reaktionsleistung. Die Reaktionsleistung kann nicht mehr vollständig durch die Kühlung abgeführt werden, so dass die Temperatur über Solltemperatur steigt. Texo kann überschritten werden. |
Auslegungsgrenzen werden überschritten. Behälterversagen mit Stofffreisetzung möglich. | Drehzahlüberwachung des Rührers mit Zulaufsperre (Dosierung der Komponente A3), SIS_, und Überwachung des Rührmotors mit Zulaufsperre (Dosierung der Komponente A3), EIS_ (diversitäre Redundanz). |
| Ausfall der Kühlung (zu Beginn der Reaktion) | Die Reaktionsleistung kann nicht mehr vollständig durch die Kühlung abgeführt werden, so dass die Temperatur über Solltemperatur steigt. Texo kann überschritten werden. | Auslegungsgrenzen werden überschritten. Behälterversagen mit Stofffreisetzung möglich. | Temperaturmessung mit Zulaufsperre (Dosierung der Komponente A3) bei Überschreitung einer Maximaltemperatur im Kessel, TIS+, in redundanter Ausführung. |
Die sich aus dieser Gefahrendiskussion ergebende zusätzliche Ausrüstung des Reaktionskessels ist in Bild 3 dargestellt.
Bild 3: Ausrüstung des Reaktionskessels (schematisch), Fall 3

Beispiel für die Änderung der Wärmeströme bei Maßstabsvergrößerung
Die Kühlleistung eines Behälters steigt bei sonst gleichen Bedingungen mit dem Quadrat seiner charakteristischen Länge (z. B. mit der Mantelfläche des Behälters), die Wärmeproduktionsgeschwindigkeit der Reaktionsmischung dagegen mit dem Volumen des Reaktionsansatzes (d. h. der dritten Potenz seiner charakteristischen Länge).
Dies kann dazu führen, dass sich bei der Maßstabsvergrößerung die Verhältnisse umkehren: wenn im Labor zur Aufrechterhaltung der Reaktionstemperatur der Reaktionskolben noch beheizt werden muss, kann im Technikum oder im Betrieb bereits eine Kühlung des entsprechenden Reaktors erforderlich sein!
Dies soll an einem Beispiel verdeutlicht werden (Daten und Aussagen in Kursivschrift, Zahlenwerte sind nicht generalisierbar):
Stoff A wird im Lösemittel L gelöst und die Reaktionsmischung auf 80 °C aufgeheizt. Bei dieser Temperatur erfolgt die kontinuierliche Zugabe von Stoff B. Bei der Reaktion von A und B wird Wärme (Energie) frei. Die Reaktion verläuft dosierkontrolliert mit einer Reaktionswärme von 360 kJ/kg. Tabelle 3 gibt die wichtigsten thermischen Daten der Reaktion an. Labor-, Technikums- und Betriebsmaßstab werden verglichen.
Für eine grobe Abschätzung gelten dabei mehrere vereinfachende Annahmen und Voraussetzungen, u. a.:
- –
-
Das Volumen des Reaktionsgemisches VR soll dem Reaktor-Nennvolumen entsprechen, die Dichte betrage 1000 kg/m³.
- –
-
Die Kühlung erfolgt nur über die Reaktormantelfläche (keine innenliegende Kühlschlange oder externer Wärmetauscher!).
- –
-
Die Wärmedurchgangszahl betrage in allen Apparaturen 500 W/(m²K).
- –
-
Die wirksame Temperaturdifferenz für die Kühlung betrage 40 K.
- –
-
Wärmeverluste an die Umgebung wurden berücksichtigt.
- –
-
Es herrschen stationäre Reaktionsbedingungen.
- –
-
Im Labor-, Technikums- und Betriebsmaßstab laufen dieselben Reaktionen ab.
Tabelle 3: Thermische Daten für Labor- Technikums- und Betriebsansatz (Beispiel)
| Labor | Technikum | Betrieb | |
|---|---|---|---|
| Reaktorvolumen | 0,001 m3 | 0,1 m3 | 10 m3 |
| Kühlfläche | 0,046 m2 | 1 m2 | 21 m2 |
| Kühlleistung2 | 0,92 kW | 20 kW | 430 kW |
| Wärmeverlustleistung3 u. a. Strahlungsverluste und natürliche Konvektion an der Außenseite | 0,060 kW | 1,3 kW | 28 kW |
| Wärmeproduktionsgeschwindigkeit bei 3 Stunden Dosierzeit |
0,03 kW Heizen erforderlich |
3,3 kW gedrosselte Kühlung ausreichend |
330 kW Kühlung gerade ausreichend |
| Wärmeproduktionsgeschwindigkeit bei 2 Stunden Dosierzeit |
0,05 kW Heizen erforderlich |
5 kW gedrosselte Kühlung ausreichend |
500 kW Kühlung unzureichend |
| Wärmeproduktionsgeschwindigkeit bei 1 Stunde Dosierzeit |
0,1 kW gedrosselte Kühlung ausreichend |
10 kW Kühlung ausreichend |
1000 kW Kühlung unzureichend |
- 2
- maximale Kühlleistung
- 3
- u. a. Strahlungsverluste und natürliche Konvektion an der Außenseite
Aus der Tabelle 3 ergibt sich, dass bei einer Vergrößerung der Volumina (Mengen) um jeweils den Faktor 100 die Wärmeproduktionsgeschwindigkeit ebenfalls um den Faktor ~ 100 von 0,03 kW über 3,3 kW auf 330 kW steigt. Die Kühlleistung nimmt dagegen nur um den Faktor ~ 21 von 0,92 kW über 20 kW auf 430 kW zu.
Die Wärmeproduktionsgeschwindigkeit steigt mit zunehmender Dosiergeschwindigkeit. Dies bedeutet, dass in Abhängigkeit von Behältergröße und Dosiergeschwindigkeit im Labormaßstab geheizt, im Technikumsmaßstab dagegen gekühlt werden muss. Bei weiterer Vergrößerung auf Produktionsmaßstab kann dann sogar die vorhandene Kühlung nicht mehr ausreichend sein. Hinzu kommt, dass bei einer erhöhten Temperatur des Systems die Reaktions- und damit die Wärmeproduktionsgeschwindigkeit in der Regel exponentiell steigt, während der Wärmeaustausch nur linear zunimmt. Dies hat zur Folge, dass bei sonst gleichen Verhältnissen eine gegebene Kühlleistung bei einer Temperaturerhöhung des Reaktionssystems im großen Maßstab schneller ausgeschöpft ist als im Labormaßstab.
Das Beispiel ist in überarbeiteter Form /18/ entnommen. In diesem Merkblatt werden außerdem weitere Hinweise bezüglich der Maßstabsvergrößerung bei chemischen Prozessen gegeben.
Literatur
- /1/
-
J. Pasté, U. Wörsdörfer, A. Keller, K. Hungerbühler, „Comparison of different methods for estimating TMRad from dynamic DSC measurements with ADT 24 values obtained from adiabatic Dewar experiments“, Journal of Loss Prevention in the Process Industries, 13, 7 (2000)
- /2/
-
R.L. Rogers, „Fact-finding and basic data, Part I: Hazardous properties of substances“, in „Safety in Chemical Production“, Proceedings of the First IUPAC Workshop on Safety in Chemical Productions, p. 5–12, Blackwell Scientific Publications, Oxford, 1991
- /3/
-
R. Gygax, „Fact-finding and basic data, Part II: Desired chemical reactions“, in „Safety in Chemical Production“, Proceedings of the First IUPAC Workshop on Safety in Chemical Production, p. 13–19, Blackwell Scientific Publications, Oxford, 1991
- /4/
-
J. Barton, R. Rogers, „Chemical Reaction Hazards“, Institute of Chemical Engineers (IChemE), Rugby 1997
- /5/
-
VDI-Richtlinien 2263, Staubbrände und Staubexplosionen, Blatt 1, „Untersuchungsmethoden zur Ermittlung von sicherheitstechnischen Kenngrößen von Stäuben“, VDI, Düsseldorf, Mai 1990
- /6/
-
Th. Grewer, O. Klais, „Exotherme Zersetzung – Untersuchung der charakteristischen Stoffeigenschaften“, Schriftenreihe Humanisierung des Arbeitslebens, Bd. 84, VDI-Verlag, Düsseldorf, 1988
- /7/
-
Th. Grewer, „Thermal Hazards of Chemical Reactions“, Elsevier, Amsterdam 1994
- /8/
-
J.-L. Gustin, „Ablauf durchgehender Reaktionen sowie Auswahl und Führung von sicheren Prozessen“, Chem.-Ing.-Techn., 65, 415 (1993)
- /9/
-
Recommendations on the Transport of Dangerous Goods, Tests and Criteria, „United Nations, New York, gültige FassungRichtlinie 92/69/EWG, Anhang 14
- /10/
-
T. Grewer, H. Klusacek, U. Löffler, R.L. Rogers, J. Steinbach, DECHEMA-Monographien Band 111, VCH-Verlagsgesellschaft, Weinheim, 1988
- /11/
-
Expertenkommission für Sicherheit in der chemischen Industrie der Schweiz (ESCIS), „Thermische Prozesssicherheit – Daten, Beurteilungskriterien, Maßnahmen“, Schriftenreihe Sicherheit, Heft 8, SUVA, Luzern, 2. Aufl. 1989
- /12/
-
P. Hugo, „Anfahr- und Betriebsverhalten von exothermen Batch-Prozessen“, Chem.-Ing.-Techn. 52, 712 (1980)
- /13/
-
J. Steinbach, „Chemische Sicherheitstechnik“, Verlag Chemie, Weinheim, 1995
- /14/
-
F. Stoessel: Thermal Safety of Chemical Processes, Wiley-VCH Verlagsgesellschaft, Weinheim, 2008
- /15/
-
Ratgeber Anlagensicherheit, Hrsg. BG RCI und VDSI, Universum Verlagsanstalt, Wiesbaden (fortlaufend aktualisierte Loseblattsammlung und CD-ROM)
- /16/
-
DIN EN 50156-1 (VDE 0116-1) „Elektrische Ausrüstung von Feuerungsanlagen – Teil 1: Bestimmungen für die Anwendungsplanung und Errichtung“, Beuth Verlag GmbH, Berlin, 2005VDI/VDE 2180, Blatt 1, „Sicherung von Anlagen der Verfahrenstechnik mit Mitteln der Prozessleittechnik (PLT) – Einführung, Begriffe, Konzeption“, Beuth Verlag GmbH, Berlin, 2007DIN EN 61508 (VDE 0803), „Funktionale Sicherheit sicherheitsbezogener elektrischer/elektronischer/programmierbarer elektronischer Systeme“, Beuth Verlag GmbH, Berlin, 2002DIN EN 61511 (VDE 0810), „Sicherheitstechnische Systeme für die Prozessindustrie“, Beuth Verlag GmbH, Berlin, 2005
- /17/
-
Merkblatt R 003 der BG RCI, „Sicherheitstechnische Kenngrößen“ – Ermitteln und Bewerten, BGI 747, 3/2005
- /18/
-
Merkblatt R 005 der BG RCI, „Übertragung chemischer Synthesen vom Labor bis in den Betrieb“, BGI 5002, 4/2012
Weiterführende Literatur:
Leitfaden „Rückhaltung von gefährlichen Stoffen aus Druckentlastungseinrichtungen“, TAA-GS-06, 1994
L. Friedel, Anleitung „Strömungstechnische Auslegung der Entlastungseinrichtungen für druckführende Anlagenteile“, TAA-GS-18, 1998
V. Pilz et.al., „Plant and Process Safety“, Ullmann’s Encyclopedia of Industrial Chemistry, Vol. B 8, Verlag Chemie, Weinheim, 1995
Aktualisierung:
U. Hauptmanns (Ed.), „Plant and Process Safety“ Ullmann's Encyclopedia of Industrial Chemistry, 8th edition, Wiley-VCH (im Druck)
V. Pilz, „Anlagen- und Arbeitssicherheit“, Winnacker-Küchler: Chemische Technik, Bd. 1, 5. Auflage, Wiley-VCH, Weinheim, 2003
W.F. Hemminger, H.K. Cammenga, „Methoden der thermischen Analyse“, Springer Verlag, Heidelberg, Berlin, 1989
W. Hemminger, G. Höhne, „Grundlagen der Kalorimetrie“, Verlag Chemie, Weinheim, 1979
G. Kreysa, O.-U. Langer, V. Pilz (Hrsg.), „Chemische Reaktionen – Erkennung und Beherrschung sicherheitstechnisch relevanter Zustände und Abläufe“, 35. Tutzing-Symposion, Praxis der Sicherheitstechnik, Vol. 4, DECHEMA, Frankfurt, 1997
N. Mitchison, B. Smeder (Hrsg.), „Safety and Runaway Reactions“, Institute for Systems Informatics and Safety, Joint Research Centre, European Commission, 1997
P. Urben (Editor), „Bretherick’s, Handbook of Reactive Chemicals Hazards“, 6th Edition, Butterworth-Heinemann, Oxford, 1999
CCPS, „Guidelines for Hazard Evaluation Procedures – With Worked Examples“, 2nd Edition, AIChE, New York, 1992
IVSS, „Das PAAG-Verfahren: Methodik, Anwendung, Beispiele“, Heidelberg, 2008
IVSS, „Gefahrenermittlung und Gefahrenbewertung in der Anlagensicherheit“, Heidelberg, 2012
Merkblattserie Anlagensicherheit der BG RCI
R 002, „Exotherme chemische Reaktionen – Maßnahmen zur Beherrschung“, BGI 542, 1/2004
R 004, „Thermische Sicherheit chemischer Prozesse“, BGI 828, 1/2011
R 006, „Exotherme Reaktionen und instabile Stoffe – Antworten auf häufig gestellte Fragen“, BGI/GUV-I 8618, 4/2009
R 007, „Lehren aus Ereignissen – Sicherheitstechnische Erkenntnisse für die Bewertung chemischer Reaktionen und thermisch sensible Stoffe“, BGI/GUV-I 5153, 4/2011
N. Pfeil, T. Schendler, Prüfverfahren für die sicherheitstechnische Bewertung exothermer chemischer Reaktionen, Praxis der Sicherheitstechnik, Bd 3; DECHEMA, 1995
U. Hauptmanns, D.W. Jablonski, „Comparison of the availability of trip systems for reactors with exothermal reactions“
in: Proceedings of the 8th International Conference on Probabilistic Safety Assessment on Management, May 14thuntil 18th, 2006 New Orleans, Louisiana ISBN 0-7918-0233-2
„Informationssystem zum Stand der Sicherheitstechnik“ – INFOSIS
http://www.infosis.uba.de/index.php/de/index.html
„Zentrale Melde- und Auswertestelle für Störfälle und Störungen in verfahrenstechnischen Anlagen“ – ZEMA
http://www.infosis.uba.de/index.php/de/zema/index.html















